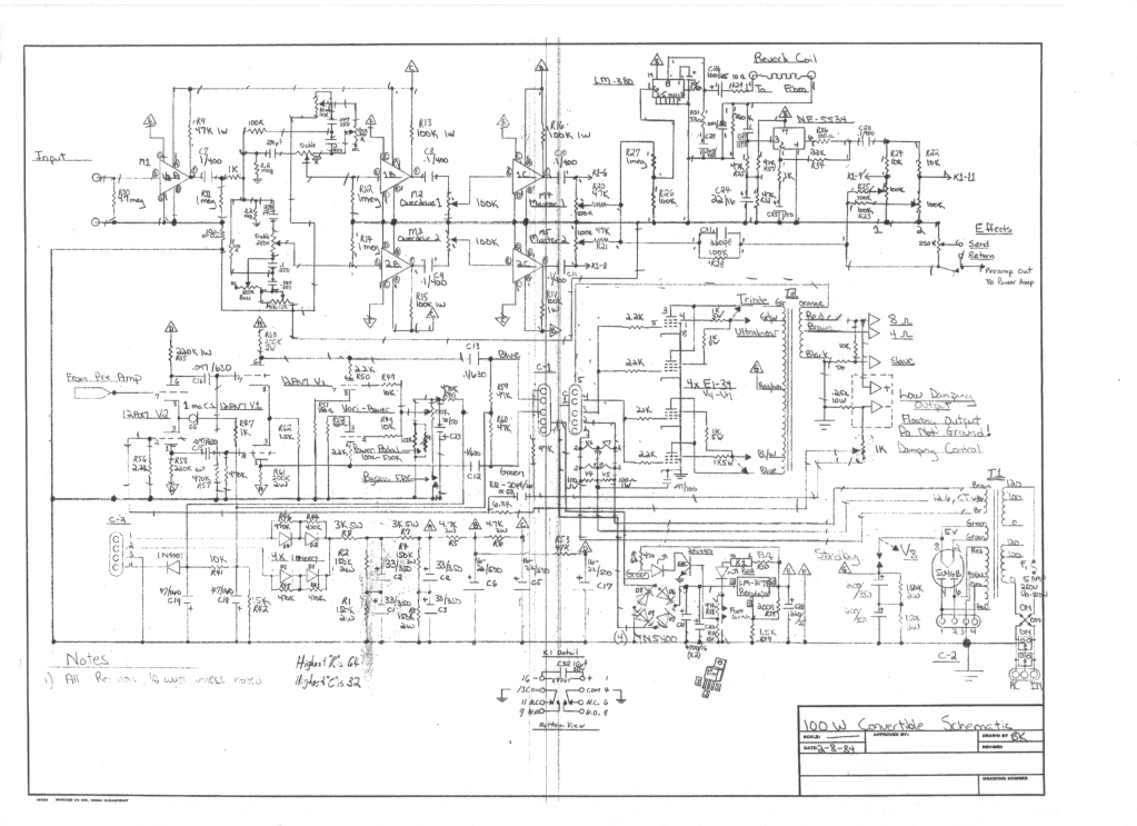
Duncan amp schematics
I have been rooting around in my files to find all of the stuff that I gathered years ago for the Seymoure Duncan amp project. I have some schematics that are the same as those found on the diyguitarist site, but there are 2 that I found that I can’t find on the net, so I scanned them in.
I probably got them from somewhere on the net to start with, so if anyone finds them I’ll probably link to them instead of my scanned version.

